用途
本阀门主要用于给排水管路,起到防止介质逆流的作用。同时可消除破坏性水锤,从而保证水泵和管路不受损坏。
执行标准
设计制造:CJ/T 282
结构长度:GB/T12221
连接法兰:GB/T 17241.6 GB/T 9113
试验检验:GB/T 13927
特点
1、结构长度短,体积小。蝶式阀瓣,流体阻力小。
2、偏心设计,开启压力小,介质倒流时有助于关闭。
3、软密封,橡胶圈更换方便,同时对含颗粒介质的适应性比较强。硬密封,采用多层次不锈钢密封圈,可适应高温工况。
4、带阻尼油缸,关闭速度可调,能大幅减小或避免水锤和噪声的产生。
5、运行平稳、密封可靠、使用寿命长。
主要性能参数和材料
|
型号 |
公称压力PN |
适用温度 ℃ |
适用介质 |
主要零件材料 |
||||
|
阀体、阀瓣 |
阀杆 |
阻尼缸 |
重锤 |
密封圈 |
||||
|
KFHH47X-10Q~25Q |
10~25 |
≤80 |
水、污水、油品等 |
球墨铸铁 |
铬不锈钢 |
碳钢 |
铸铁 |
橡胶 |
|
KFHH47H-10C~40C |
10~40 |
≤260 |
水、蒸汽、油品等 |
碳钢 |
铬不锈钢 |
碳钢 |
铸铁 |
不锈钢+石墨 |
主要连接尺寸
|
型号 |
DN |
200 |
250 |
300 |
350 |
400 |
450 |
500 |
600 |
|
KFHH47H-10/16/25/40 |
L |
230 |
250 |
270 |
290 |
310 |
330 |
350 |
390 |
|
H |
695 |
735 |
780 |
845 |
940 |
1013 |
1085 |
1235 |
|
|
型号 |
DN |
700 |
800 |
900 |
1000 |
1200 |
1400 |
1600 |
1800 |
|
KFHH47H-10C/16/25 |
L |
430 |
470 |
510 |
550 |
630 |
710 |
790 |
890 |
|
H |
1290 |
1350 |
1495 |
1660 |
1955 |
2210 |
2480 |
2735 |
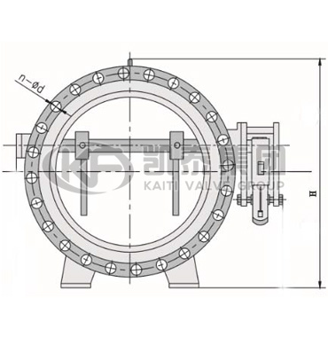
蝶式缓闭止回阀结构图
提示: KFHH47H/KFHH47X 蝶式缓闭止回阀尺寸等信息仅供参考,修改恕不另行通知。如需准确的止回阀产品系列资料,请致电我公司索取,我们竭诚为您服务! 电话:021-36160823 .